



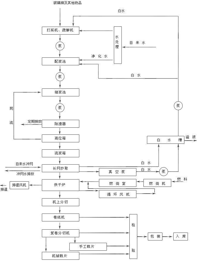
工藝流程

產品規格參數
| 年產量(噸) | 300、600、800、1200、2000 |
| 原料 | 高堿、中堿、無堿等玻纖棉{打槳度°SR(24、29、34、39、44、49)} |
| 產品成型寬度(mm) | 1000、1100、1300、1500、1800 |
| 產品成型厚度(mm) | 0.3-25 |
| 烘干能源 | 電、柴油、液化氣、天然氣、煤氣、煤 |
| 機組適用 | AGM隔板、復合隔板、保溫紙、陶瓷纖維紙、過濾紙 |





| 年產量(噸) | 300、600、800、1200、2000 |
| 原料 | 高堿、中堿、無堿等玻纖棉{打槳度°SR(24、29、34、39、44、49)} |
| 產品成型寬度(mm) | 1000、1100、1300、1500、1800 |
| 產品成型厚度(mm) | 0.3-25 |
| 烘干能源 | 電、柴油、液化氣、天然氣、煤氣、煤 |
| 機組適用 | AGM隔板、復合隔板、保溫紙、陶瓷纖維紙、過濾紙 |
南通市同天能源機械有限公司專業生產隔板生產線、短切氈生產線、無張力烘干機、預縮烘干機等設備。